
接上篇
三、电缆故障的性质与分类
电缆故障从型式上可分为串联与并联故障。串联故障指电缆一个或多个导体(包括铅、铝外皮)断开;通常在电缆至少一个导体断路之前,串联故障是不容易发现的。并联故障是导体对外皮或导体之间的绝缘下降,不能承受正常运行电压。实际的故障型式组合是很多的,图1给出了可能性较大的几种故障形式。例如:图1.c所示,导体断路往往是电缆故障电流过大而烧断的,这种故障一般伴有并联接地或相间绝缘下降的情况。实际发生的故障绝大部分是单相对地绝缘下降故障。(不同的电缆故障测试仪器厂家,对故障的分类有所区别)。

图1 几种电缆故障形式
电缆故障点可用图2所示电路来等效。Rf代表绝缘电阻,G是击穿电压为Vg的击穿间隙,Cf代表局部分布电容,上述三个数值随不同的故障情况变化很大,并且互相之间并没有必然的联系。
图2 电缆故障等效电路
间隙击穿电压Vg的大小取决于放电通道的距离,电阻Rf的大小取决于电缆介质的碳化程度,而电容Cf的大小取决于故障点受潮的程度,数值很小,一般可以忽略。
根据故障电阻与击穿间隙情况,电缆故障可分为开路、低阻、高阻与闪络性故障,如表1所示。
表1 电缆故障性质的分类
说明:表中Z0为电缆的波阻抗值,电力电缆波阻抗一般在10-40Ω之间。
以上分类的目的也是为了选择测试方法的方便,根据目前流行的故障测距技术,开路与低阻故障可用低压脉冲反射法,高阻故障要用冲击闪络法测试,而闪络性故障可用直流闪络法测试。现场人员有把Rf<100KΩ的故障称为低阻故障的习惯,主要是因为传统的电桥法可以测量这类故障。智能型电缆故障闪测仪,Rf<1KΩ以下的故障,也就是用万用表能够直接测量出来绝缘电阻的故障,才可以称为低阻故障。高压摇表测试电阻为零,可能还是高阻故障。
据统计,高阻及闪络性故障约占整个电缆故障总数的90%以上。现场是通过试验方法区分高阻与闪络性故障的。
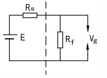
图3给出了电缆耐压试验等效电路,其中Rs为试验设备内阻,E为设备所能提供的直流电压值,电阻Rf与临界击穿电压为Vg的间隙并联代表故障点。

图3 电缆耐压试验等效电路
由图3可知,在对电缆进行高压绝缘试验时,电缆故障点所能获得的电压为:

对闪络性故障来说Rf较大,故障间隙两端电压可以增加至很高,当试验电压升至某一值时,故障点击穿放电,电流突然升高,电压突然下降。预防性试验中发生的故障多属闪络性故障。
高阻故障的故障点电阻Rf较小(但大于10Z0,电缆特性阻抗的10倍),导致故障点两端所加电压不能升至高于故障点击穿电压,也就不能使故障点击穿。因此,可以从在对电缆进行高压绝缘试验时有无故障点击穿现象判断电缆存在高阻还是闪络性故障。显然,高阻与闪络性故障的区分不是绝对的,它与高压试验设备的容量或试验设备的内阻等因素有关。
实际上还存在一种封闭性故障,它多发生于电缆接头或终端头内,特别是多发生在浸油的电缆头内。发生这类故障时,有时在某一试验电压下绝缘击穿,待绝缘恢复,击穿现象便完全消失,这类故障称为封闭性故障,因故障不能再现,寻找起来就比较困难。


客服1