
六、不同的电缆故障探测方法的简介
长期以来,涌现出了许多测量方法与仪器,这些方法与仪器适用于不同故障情况,各有优缺点,这里就故障测距与定点仪器简单地做一下评价和比较。
1.故障测距
(1)、电桥法
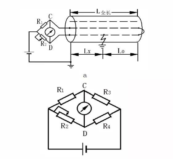
电桥法是一种最为经典测试电缆故障测距方法。如图5所示:

图5 电桥测距原理
电桥法测试线路的连接如图5a所示,将被测电缆终端故障相与非故障相短接,电桥两臂分别接故障相与非故障相,图5b给出了等效电路图。仔细调节R2数值,总可以使电桥平衡,即CD间的电位差为0,无电流流过检流计,此时根据电桥平衡原理可得:
R3/R4=R1/R2 (1.1)
R1、R2为已知电阻,设:R1/R2=K,则
R3/R4=K
由于电缆直流电阻与长度成正比,设电缆导体电阻率为R0,L全长代表电缆全长, LX 、、L0 分别为电缆故障点到测量端及末端的距离,则R2可用(L全长+L0)R0代替,根据式(1.1)可推出:
L全长+L0=KLX
而 L0=L全长-LX,所以
LX=2L全长/(K+1)
电缆断路故障可用电容电桥测量,原理与上述电阻电桥类似。
电桥法优点是简单、方便、精确度高,但它的重要缺点是不适用于高阻与闪络性故障,因为故障电阻很高的情况下,电桥里电流很小,一般灵敏度的仪表,很难探测,实际上电缆故障大部分属于高阻与闪络性故障。
在用电桥法测量故障距离之前,需用高压设备将故障点烧穿,使其故障电阻值降到可以用电桥法进行测量的范围,而故障点烧穿是件十分困难的工作,往往要花费数小时,甚至几天的时间,十分不方便,有时会出现故障点烧断,故障电阻反而升高的现象,或是故障电阻烧得太低,呈永久短路,以至不能用放电声测法进行最后定点。电桥法的另一缺点是需要知道电缆的准确长度等原始技术资料,当一条电缆线路内是由导体材料或截面不同的电缆组成时,还要进行换算,电桥法还不能测量三相短路或断路故障。
现在现场上电桥法用的越来越少了,不过一些测试人员,尤其是老的测试人员,仍然习惯于使用该方法。特别是对一些特殊的故障没有明显的低压脉冲反射,但又不容易用高压击穿,如故障电阻不是太高的话,使用电桥法往往可以解决问题。
(2)、低压脉冲反射法
低压脉冲反射法,又叫雷达法,是受二次世界大战雷达的启发而发明的,它通过观察故障点反射脉冲与发射脉冲的时间差测距。
低压脉冲反射法的优点是简单、直观、不需要知道电缆的准确长度等原始技术资料。根据脉冲反射波形还可以容易地识别电缆接头与分支点的位置。
低压脉冲反射法的缺点是仍不能适用于测量高阻与闪络性故障。
(3) 高压脉冲电压法
高压脉冲法,又称闪测法,是六十年代发展起来的一种高阻与闪络性故障测试方法。现在国内大多数企业生产、销售该原理的电缆故障闪测仪。
首先使电缆故障闪测仪,在直流高压或脉冲高压信号的作用下击穿故障点,然后,通过观察放电电压脉冲在测试点与故障点之间往返一次的时间测距。脉冲高压法的一个重要优点是不必将高阻与闪络性故障烧穿,直接利用故障击穿产生的瞬间脉冲信号,测试速度快,测量过程也得到简化,是电缆故障测试技术的重大进步。
高压脉冲电压法的缺点如下:
A.安全性差,仪器通过一电容电阻分压器分压测量电压脉冲信号,仪器与高压回路有电耦合,很容易发生高压信号串入,造成仪器损坏。
B.在利用闪测法测距时,高压电容对脉冲信号呈短路状态,需要串一电阻或电感以产生电压信号,增加了接线的复杂性,且降低了电容放电时加在故障电缆上的电压,使故障点不容易击穿。
C.在故障放电时,特别是进行冲闪测试时,分压器耦合的电压波形变化不尖锐,难以分辨。
(4)、高压脉冲电流法
高压脉冲电流法是八十年代初发展起来的一种测试方法,以安全、可靠、接线简单等优点显示了强大的生命力。
高压脉冲电流法与高压脉冲电压法的区别在于:前者通过一线性电流耦合器测量电缆故障击穿时产生的电流脉冲信号,成功地实现了仪器与高压回路的电耦合,省去了电容与电缆之间的串联电阻与电感,简化了接线,传感器耦合出的脉冲电流波形亦比较容易分辨。
(5)对测距方法与仪器选择的建议
目前,普遍采用脉冲测距法。低阻与断路故障采用低压脉冲反射法,它比电桥法简单直接;测量高阻与闪络性故障采用高压脉冲电流法;两者都是通过脉冲信号在故障点与测量点之间往返一次时间测距,但前者是主动向电缆发射探测电压脉冲,后者是被动记录故障击穿产生的瞬间脉冲电流信号;信号的记录与处理显示可由同一个电路完成,故可方便地使仪器同时实现两个功能。
2. 故障定点
电缆故障的精确定点是故障探测的关键。目前,比较常用的方法是冲击放电声测法及主要用于低阻故障定点的音频感应法。实际应用中,往往因电缆故障点环境困素复杂,如振动噪声过大、电缆埋设深度过深等,造成定点困难,成为快速找到故障点的主要矛盾。
声磁同步检测法,提高了抗振动噪声干扰的能力;通过检测接收到的磁声信号的时间差,可以估计故障点距离探头的位置;比较在电缆两侧接收到脉冲磁场的初始极性,亦可以在进行故障定点的同时寻找电缆路径。
3. 新一代智能化电缆故障探测仪器
现代微电子技术的发展,促进了电缆故障探测仪器的进步。仪器正向智能化方向发展,能对采集的信号进行复杂的数学处理,自动计算故障点;记忆测量波形;打印输出波形及测量结果;并具有体积小、携带方便、操作简单等优点。图6是部分智能型电缆故障测试仪-粗测仪器闪测仪的图



客服1